三业定制衡美碱加药装置技术方案
2024-03-10 来自: 衡美水处理公众平台 浏览次数:282


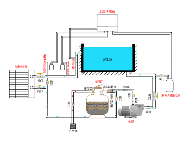
衡美水处理为您介绍一项精深、实用的环保知识——加药装置产品方案。
一、技术分析
TECHNICAL ANALYSIS
在化学水处理系统中,为了提高补给水的PH值和防止水系统的金属腐蚀,所以要进行加氨、加联氨、加磷酸盐等来处理。
加药装置包含原水处理加药装置、锅炉给水和炉内加药装置、废水和灰水加药装置三大类。加药的方式根据用户对加药自动化程度的要求,可采用就地手动和就地自动方式或计算机自动加药的方式等,使水质达到标准,以保证设备经济运行。
过滤器每三个月清洗一次,清洗后在低压管道内即有空气进入,此时应开泵放气(应用手动方式开泵,放气时应将放气螺丝微微松出少许,只要有水出即可),要等到从放气孔中间歇地喷射出水流,说明压力已进入高压区。
精工铸就品牌,
匠心成就精彩!
二、销售合同
SALES CONTRACT

以匠心沉淀时光,
用岁月见证品质!
三、电控设计图纸
ELECTRICAL CONTROL DESIGN DRAWINGS


巧手成就优越,
匠心创造非凡!
四、生产通知单
PRODUCTION NOTICE

 
诚信赢得市场,
质量铸就品牌!
五、检测报告
EQUIPMENT INSPECTION REPORT

精益求精于物,
严谨传承于神。
六、产品合格证
PRODUCT QUALIFICATION CERTIFICATE

“工匠精神”“
是追求优越的创造精神。
七、客户签收单
CUSTOMER RECEIPT

一心一意为客户服务,
一钉一卯铸衡美品牌!

        实现城市用水洁净处理,营造和谐人居生活环境!
衡美水处理专注水处理设备生产十八年,为您量身定制水处理解决方案!

 
                          
										 
										 
										 
										 
										 
										 
										